Описание
Выключатель ёмкостный бесконтактный (датчик) CSN E53A5-32P-10-LZ-H предназначен для бесконтактной коммутации исполнительных устройств в промышленных автоматизированных устройствах, линиях, станках и системах. Датчик имеет чувствительную поверхность, образованную двумя электродами конденсатора, включенного в цепь обратной связи высокочастотного генератора. Приближение объекта воздействия из металла или диэлектрика к чувствительной поверхности увеличивает емкость между электродами конденсатора и вызывает увеличение амплитуды колебаний генератора. При достижении амплитудой генератора порогового значения, схемой управления формируется выходной сигнал электронного ключа датчика, который используется для коммутации электрических цепей и сигнализации.
| Характеристики | |
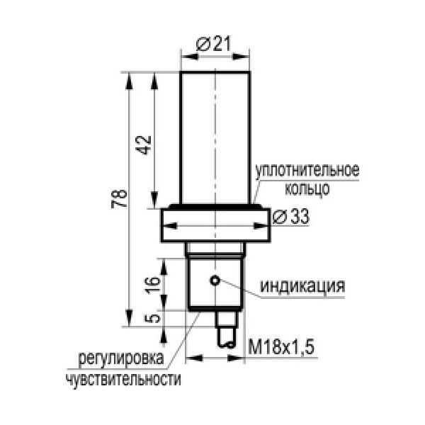
| Размер гладкого корпуса, ДxДл | Ø21x78 |
| Тип монтажа | Невстраиваемый |
| Номинальное расстояние срабатывания | 10 мм |
| Способ подключения | Кабель |
| Материал корпуса | Д16Т |
| Диаметр гладкого корпуса | Ø21 |
| Длина в мм. | 78 |
| Тип корпуса | Цилиндрический |
| Корпус | Диаметр 21 |
| Диапазон рабочих напряжений, Uраб.2 | 10...30 В DC |
| Падение напряжения при Imax, Ud | ≤2,5 В |
| Тип контакта / Структура выхода | PNP Размыкающий |
| Частота переключения, Fmax | 300 Гц |
| Присоединение / Подключение | Кабель 3х0,34 кв. мм |
| Световая индикация | Есть |
| Комплексная защита | Есть |
| Степень защиты по ГОСТ 14254-96 | IP65 |
| Гистерезис | 3...15% |
| Измерение | Дискретное (пороговое) |
| Кол-во проводов | 3 |
| Материал чувствительной поверхности | Фторопласт |
| Принцип измерения | Ёмкостный |
| Диапазон рабочих температур | -15°С...+105°С |
| Рабочий зазор | 0...8 мм |
| Рабочий ток, Iраб. При t | 400 мА |
| Рабочий ток, Iраб. При t>75°C | 150 мА |
| Схема подключения | 3х проводный |
| Функция выходного сигнала (2) | НЗ Размыкающий |
| +375 (29) 661-00-15 | ![]() |
















